1999.5.20
版実験技術実習 回路工作
目的 回路工作の基礎を学び,電子工作の楽しさを体験する.
内容
1.はんだ付けの練習2.ゲルマニウムラジオ+FET増幅器の作製
説明
:はんだ付けは回路工作の基礎技術として重要であるが,うまくはんだ付けが出来るようになるには,ある程度の練習が必要である.そのため,実際の回路作成の前にリード線を使って練習を行う.はんだ付けの“こつ”については別紙を参照.作業
:長さ5cmくらいのリード線を5本作る.ビニールの被覆をはがすときは,ワイヤーストリッパを使うと便利である.一般にリード線の端ははんだめっき処理するとよい.後から邪魔にならないように,基板の端の方にはんだ付けをする.指導員のチェックを受け,うまくできるようになったらリード線は取り外す.
説明
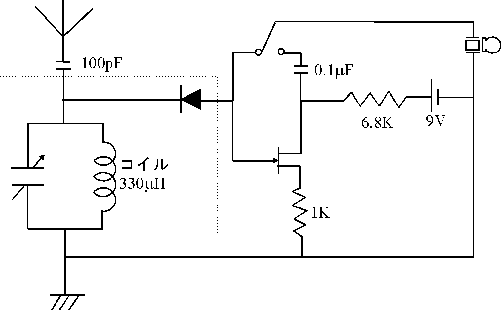
:AMラジオは,音声信号を電波の振幅の大きさとして送る仕組みになっている(AMとはAmplitude Modulationのこと,ちなみにFMはFrequency Modulation).電波の周波数は例えばTBSラジオの場合954KHzであり,音声信号は通常20KHz以下の低周波なので,電波の包絡線が音声信号になる(図1参照).そこで空中を飛んでくる電波のうち,特定の周波数だけを選び出し,その包絡線を取り出すことができればAMラジオを聴くことができる.そのための最も簡単なラジオがゲルマニウムラジオと呼ばれるものである.ゲルマニウムラジオの基本的な回路は図
2のうち点線で囲った部分にあたる.コンデンサとコイルの共振回路で特定の周波数を選び出し,ダイオードの整流作用を使って音声信号を取り出す.コイルのインダクタンスは330?Hで,コンデンサには容量可変のポリバリコン(290pF)を用いて共振周波数を変えられるようにする.ダイオードにはゲルマニウムダイオード(IN60)を用いる.基本的にはコイルとコンデンサとダイオードというたった3つの部品でも,アンテナさえしっかりしていれば,電源がなくてもAMラジオを聴くことができる.本実習では,感度を向上させることと増幅回路の学習を兼ねて,低周波の信号をFETで増幅する回路も作製する.使用するFETは
2SK30Aで,部品の数が少なくなることを重視した回路となっている.
バリコンの端子にスズめっき線をはんだ付けする.バリコンを両面テープで基板に固定し,スズめっき線もはんだ付けする.次にコイル,ゲルマニウムダイオードの順番で基板にはんだ付けし,スズめっき線等を使って配線する.
ACプラグの片方の端子に
空中を飛んでくる電磁波,共振回路,整流作用が身近に感じられただろうか?